На информационном ресурсе применяются cookie-файлы. Оставаясь на сайте, вы подтверждаете свое согласие на их использование.
Саб с двумя обмотками
13584
20
Cever
experienced
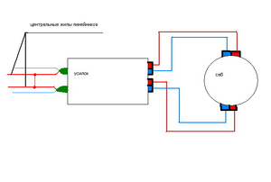
Собственно есть такой саб, есть усилок с 2 свободными каналами. Как нада подключать? Последовательно, параллельно, независимо? Майфун Пионер Р3100 ди ви ди, усилок Adagio 90.4, саб DLS 210. И хотелось бы схемку посмотреть. Или послушать коменты к моей. Я знаю, что у меня талант художника

schumaQher
experienced
Если раздельно нарисованые по краям усилителя пары + и - это выхода двух разных каналов , то схема абсолютно неверная . При таком подключении усилитель будет работать мостом на левую по схеме обмотку сабвуфера .
Cever
experienced
А на правую почему мостом работать не будет? 

Нет, не будет...
Значит нужно подключать по схеме "стереобаса", т.е. левый и правый каналы подключать как обычно.
Значит нужно подключать по схеме "стереобаса", т.е. левый и правый каналы подключать как обычно.
В таком случае не получится ли следующее:
на тех фрагментах композиции, где сигналы в обоих каналах совпадут, наш сабвуфер будет уверенно звучать, радуя слушателя. Но стоит этой гармонии хоть чуть-чуть нарушиться, как двойная звуковая катушка превратится, образно говоря, в повозку, тащить которую будут лебедь, рак и щука. Это довольно грубая аналогия, но на деле произойдет действительно нечто подобное. Возможен случай, когда в одно и то же время по одной обмотке будет проходить положительный импульс сигнала, а по другой - отрицательный. Что произойдет со звуком в таком случае, догадаться несложно, а длительная работа звуковой катушки в столь экстремальных условиях может стать причиной гибели сабвуфера.
взял от сюда
на тех фрагментах композиции, где сигналы в обоих каналах совпадут, наш сабвуфер будет уверенно звучать, радуя слушателя. Но стоит этой гармонии хоть чуть-чуть нарушиться, как двойная звуковая катушка превратится, образно говоря, в повозку, тащить которую будут лебедь, рак и щука. Это довольно грубая аналогия, но на деле произойдет действительно нечто подобное. Возможен случай, когда в одно и то же время по одной обмотке будет проходить положительный импульс сигнала, а по другой - отрицательный. Что произойдет со звуком в таком случае, догадаться несложно, а длительная работа звуковой катушки в столь экстремальных условиях может стать причиной гибели сабвуфера.
взял от сюда
Павел Сергеевич
veteran
делаешь просто моно вход, т.е. соединяешь обе центральные жилы на входе если усил стерео,
берешь батарейку любую за 5 рублей пайдет, цепляешь к + и - соответсвующих обмоток смотришь куда пойдет мембрана если на обоих катушках одинаково при одной полярности то прям по схеме к усилку и подрубай.
+ к +
- к -
Основное это Запараллелить звук с одной дорожки на входе, тогда ничего в противофазе не прийдет...
берешь батарейку любую за 5 рублей пайдет, цепляешь к + и - соответсвующих обмоток смотришь куда пойдет мембрана если на обоих катушках одинаково при одной полярности то прям по схеме к усилку и подрубай.
+ к +
- к -
Основное это Запараллелить звук с одной дорожки на входе, тогда ничего в противофазе не прийдет...
Cever
experienced
Точно
Батарейка есть, даже с проводами припаянными
А я сижу голову ломаю.....


Сейчас читают
Изучаю спрос среди видеографов на глайдтрек (рельсы)
5060
9
фотосессия для ребенка
3992
7
А кто учитель???
9955
31
а катушки на сабе с каким импедансом
2+2 или 4+4 ?
2+2 или 4+4 ?
было б хорошо если 2+2 Ома
катушки саба соединяешь последовательно. на выходе получаешь 4Ома и подключаешь к усилку в мостовую схему
а вот если у тебя саб 4+4 Ома, то тогда фигово, можно конечно каждую катушку на свой канал зацепить, но трудно настроить чтоб каналы одинаково работали, а без такой настройки настроики угробишь современем саб,
катушки саба соединяешь последовательно. на выходе получаешь 4Ома и подключаешь к усилку в мостовую схему
а вот если у тебя саб 4+4 Ома, то тогда фигово, можно конечно каждую катушку на свой канал зацепить, но трудно настроить чтоб каналы одинаково работали, а без такой настройки настроики угробишь современем саб,
Павел Сергеевич
veteran
вобщем вход усила параллелишь и не паришься.
другой вариант усил ввести в мостовой режим, и подключить катушку последовательно
+-+- и соответственно подключить к усилителю, тогда естественно звук будет лучше.
по идее будет тоже самое если иметь распараллеленые как считают многие но не тут то было, у БИФИЛЯРНЫХ катушек есть такой прикол о котором умалчивают, у них Малая межвитковая емкость, а значит высока индуктивная составляющая, читаем про усилительные свойства катушек тесла бифилярных.
Вобщем к чему я клоню, у последовательной магнитный момент всей катушки будет сильнее чем у просто параллельной на тойже мощности, поэтому я бы советовал включить усилитель мостом и последовательно катушки подключить...
что мы имеем при раздельном включении.
в 1/2 волны НИЗОВ допустим 50герц
итого в плюс у нас идут обе катушки так как оба левый и правый канал качают у нас в плюс
потом аналогично в другую полуволну когда сигнал идет наоборот все каскады тянут катушки вниз на минус, итог в один момент у нас на динамике будет
К*12вольт, где К-коэффициент преобразования внутреннего источника питания.
Обычно в усилителях не класса D и F(цифровые) с буквами могу наврать не бить по ребрам...
вобщем в мостовой схеме у нас в полуволну один канал работает на + второй на минус, и получается забавная штука на выходе получаем не U а 2U амплитудное значение, поэтому в мосту лучше использовать высокоомную схему которая нам и дана в последовательном бифилярном варианте...
а если по существу то берите экспериментируйте как понравится так и оставляйте.
другой вариант усил ввести в мостовой режим, и подключить катушку последовательно
+-+- и соответственно подключить к усилителю, тогда естественно звук будет лучше.
по идее будет тоже самое если иметь распараллеленые как считают многие но не тут то было, у БИФИЛЯРНЫХ катушек есть такой прикол о котором умалчивают, у них Малая межвитковая емкость, а значит высока индуктивная составляющая, читаем про усилительные свойства катушек тесла бифилярных.
Вобщем к чему я клоню, у последовательной магнитный момент всей катушки будет сильнее чем у просто параллельной на тойже мощности, поэтому я бы советовал включить усилитель мостом и последовательно катушки подключить...
что мы имеем при раздельном включении.
в 1/2 волны НИЗОВ допустим 50герц
итого в плюс у нас идут обе катушки так как оба левый и правый канал качают у нас в плюс
потом аналогично в другую полуволну когда сигнал идет наоборот все каскады тянут катушки вниз на минус, итог в один момент у нас на динамике будет
К*12вольт, где К-коэффициент преобразования внутреннего источника питания.
Обычно в усилителях не класса D и F(цифровые) с буквами могу наврать не бить по ребрам...
вобщем в мостовой схеме у нас в полуволну один канал работает на + второй на минус, и получается забавная штука на выходе получаем не U а 2U амплитудное значение, поэтому в мосту лучше использовать высокоомную схему которая нам и дана в последовательном бифилярном варианте...
а если по существу то берите экспериментируйте как понравится так и оставляйте.
EDI
guru
усилок у него самый обычный, да и саб тоже самая простая линейка от DLS - Matador (посмотел опияние в инете на DLS210)
усилок 4-х канальный, два канала, как я понимаю на фронт, и два свободных нужно использовать на саб у которого 2 катушки по 4Ома каждая, если он их включит последовательно +-+- то получится 8Омный саб. Конечно его можно подключить к свободной паре каналов мостом, но потеряет при этом в мощости.
Действительно, наверное остаётся только вариант как , уже писал Павел Сергеевич , на входе 3 и 4 каналы усилителя запаралелить.
А еще можно попробывать разделить один из линейных проводов, который идет на саб, продаются даже заводские разветвители сигнала, и подключить к усилку. Собственно то же самое получится
усилок 4-х канальный, два канала, как я понимаю на фронт, и два свободных нужно использовать на саб у которого 2 катушки по 4Ома каждая, если он их включит последовательно +-+- то получится 8Омный саб. Конечно его можно подключить к свободной паре каналов мостом, но потеряет при этом в мощости.
Действительно, наверное остаётся только вариант как , уже писал Павел Сергеевич , на входе 3 и 4 каналы усилителя запаралелить.
А еще можно попробывать разделить один из линейных проводов, который идет на саб, продаются даже заводские разветвители сигнала, и подключить к усилку. Собственно то же самое получится
теоретически можно, но желательно центральные жилы соединять через резисторы, вот только номинал резисторов точно казать не могу
Павел Сергеевич
veteran
соединять можно без резисторов
на входе по барабану будет так как всеравно есть внутри цепь разделяющая.
обычно там по 100кОм стоят уже на входе так что это БРЕД
на входе по барабану будет так как всеравно есть внутри цепь разделяющая.
обычно там по 100кОм стоят уже на входе так что это БРЕД
EDI
guru
хотя возможно ты и прав, в современных усилках должна быть, по крайней мере в качестве защиты
я бы так вообще не заморачивался, купил в магазине Y-образный переходник, да использовал всего один из каналов, аккуратно, и ничего паять ненадо, да и стоит он 150-200 рублей, ну по-крайней мере раньше стоил
я бы так вообще не заморачивался, купил в магазине Y-образный переходник, да использовал всего один из каналов, аккуратно, и ничего паять ненадо, да и стоит он 150-200 рублей, ну по-крайней мере раньше стоил
Ну можно и через Y попробовать. Завтра , если успею, начну. Отпишусь че получится.
апну темку
По подключению саба, решил обновить саб, пока подключу к старому стереоусилку, до покупки моноблока нужной мощности.
Поскольку усилок слабый для нового саба, то решил подключить поканально к каждой обмотке. Обмотки 4+4, схема мостом у усилка расчитана на 4Ом минимум, подключать последовательно обмотки динамика не хочу, так как на 8Ом мощность будет совсем слабой, а параллельно на 2Ом - погорит.
Так вот вопрос по моносигналу, голова - Pioneer DEH-1500UB, когда выход работает в режиме PreAmp сабвуфер - сигнал идет моно? или все же лучше подстраховаться и подключить один канал через Y-коннектор? Или вообще смещать сигналы на входе, как тут уже было описано?
По подключению саба, решил обновить саб, пока подключу к старому стереоусилку, до покупки моноблока нужной мощности.
Поскольку усилок слабый для нового саба, то решил подключить поканально к каждой обмотке. Обмотки 4+4, схема мостом у усилка расчитана на 4Ом минимум, подключать последовательно обмотки динамика не хочу, так как на 8Ом мощность будет совсем слабой, а параллельно на 2Ом - погорит.
Так вот вопрос по моносигналу, голова - Pioneer DEH-1500UB, когда выход работает в режиме PreAmp сабвуфер - сигнал идет моно? или все же лучше подстраховаться и подключить один канал через Y-коннектор? Или вообще смещать сигналы на входе, как тут уже было описано?
вопрос снят... саб поключен... на форумах читаю разное... кто может сдесь посоветовать моноблок под vibe space 15? чтобы 2 ома - родная нагрузка, и хорошая отдача при пиках была
ну, а так то вот поскромнее
Усилитель Phoenix Gold PHG-Z 1000.1 моно , примерно 7500-8000р
Усилитель Phoenix Gold PHG-Z 1000.1 моно , примерно 7500-8000р
спасиб за варианты, первый конечно классный аппарат... вот только выше бюджета, во втором варианте как я понял нет настройки фазы... попробую еще поискать что то в пределах 12-14 тысяч максимум